(8412) 95 77 22
г. Пенза, ул. Ульяновская, д. 60А
Продукция
Каталоги
Услуги
Контакты
Поиск по сайту
Обратный звонок
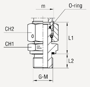
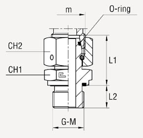
Штуцера ввертные с накидной гайкой
Главная
Каталог товаров
Трубные соединения
Штуцера ввертные с накидной гайкой
Гидравлика и пневматика
Промышленные рукава
Рукава для подачи газа, газовой резки и сварки
Бетон и штукатурная обработка
Вода и жидкость
Воздух
Газосварка
Горячая вода, пар
Горячий воздух
Для буровых платформ
Маслобензостойкие
Пескоструйная обработка
Пищевая промышленность
Сельское хозяйство
Сжатый воздух
Сталелитейное производство
Сухие сыпучие материалы
Угольношахтные
Химическая промышленность
Рукава, шланги высокого давления
КЛАСС BASIC
КЛАСС PROFESSIONAL
КЛАСС STANDARD
Термопластиковые рукава
Рукава тефлоновые PTFE
Буровые рукава
Стандартные фитинги для РВД
Фитинги для РВД CAST
Фитинги для РВД стандартные
Фитинги для РВД Interlock
Фитинги для РВД серии CS (без зачистки)
Быстроразъемные соединения
БРС Flat Face
Стандартные шариковые БРС
Соединительные системы БРС
Гидроклапаны
Защита для РВД
Огнеупорная защита
Пластиковая защита для РВД
Текстильная защита для РВД
Пневматические фитинги
Прямой фитинг с наружной резьбой
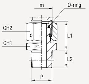
Угловые фитинги и тройники
Шарнирные фитинги
Адаптеры
Шарнирные адаптеры (резьбовые)
Соединитель с наружной резьбой
Угловой соединитель
Т-образные соединения
Соединения
Разное
Трубные соединения
Штуцера ввертные
Штуцера ввертные регулируемые
Штуцера ввертные с накидной гайкой
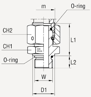
Соединения проходные с накидной гайкой
Соединения проходные
Соединения проходные редукционные
Соединения переборочные
Соединения приварные
Соединения типа банджо
Соединения для подключения измерительных устройств
Заглушки
Комплектующие и запасные части
Тормозные трубки
Хомуты
Хомуты для патрубков и шлангов
Cиловые хомуты
Специальные хомуты
Скобы для труб и кабелей
Камлоки
Стяжки кабельные
Соединители для шлангов
Трубка полиамидная
Гидравлические трубы
Фосфатированные гидравлические трубы
Оцинкованные гидравлические трубы
Холоднотянутые бесшовные гидравлические трубы
Оборудование для производства рукавов высокого давления
Опрессовочные станки
Отрезные станки
Станки для перфорации рукавов
Станки для гибки труб
Станки для предварительной сборки
Станки для развальцовки и предварительной сборки
Станки для снятия фасок труб
Универсальные центры
Испытательные стенды импульсные
Окорочные станки
Испытательные стенды гидростатические
Маркировочные станки
Фильтровочные машины
Промывочное оборудование
Пневмотолкатели
Оборудование для размотки рукавов
Гидрораспределители
Средства измерения
Ремни Gates
Сварочные работы
Масла и смазочные материалы
Индустриальные масла, смазки и СОЖ Agip
Моторные масла, жидкости Agip и Eni
Оборудование для перекачки масла и дизтоплива
Бочковые насосы
Мобильные комплекты для перекачки ГСМ
Насосы для перекачки масла
Насосы ручные для масла и смазки
Счетчики и расходомеры для ГСМ
Продажа рукавов разного назначения
Прямой BSP, уплотнение тип Е
Прямой BSP, уплотнение тип Н
Прямой NPT, уплотнение тип С
Прямой UNF, уплотнение тип А
Прямой метрика, уплотнение тип Е
Прямой метрика, уплотнение тип Н
Продукция
Каталоги
Услуги
Контакты
Обратный звонок
Имя
Телефон
Комментарий
Отправить
Я даю согласие на обработку
персональных данных
.
Оставить заявку
Имя
Телефон
Комментарий
Отправить
Я даю согласие на обработку
персональных данных
.
Оставить заявку на услугу
Имя
Телефон
Комментарий
Отправить
Я даю согласие на обработку
персональных данных
.
Мы используем
cookies
, чтобы сохранять ваш поиск, рекомендовать полезное и создавать другие удобства на сайте
Хорошо