Оставьте заявку на заказ и мы вам перезвоним для уточнения деталей и вопросов
![]() |
![]() |
|
с врезным кольцом В3 |
с врезным кольцом В4 |
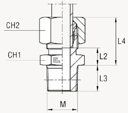
| Серия | Давление | Корпус | Корпус в сборе В3 | Диаметр трубы | Резьба | L1 | L2 | L3 | L4 | СH1 | CH2 | Корпус в сборе В4 |
| L | 315 | 101904.1 | 101904 | 6 | 10x1 | 14 | 7 | 8 | 22 | 12 | 14 | 101904.4 |
| 101905.1 | 101905 | 8 | 12x1,5 | 15 | 8 | 12 | 23 | 17 | 17 | 101905.4 | ||
| 101906.1 | 101906 | 10 | 14x1,5 | 16 | 9 | 12 | 24 | 17 | 19 | 101906.4 | ||
| 101907.1 | 101907 | 12 | 16x1,5 | 17 | 10 | 12 | 24,5 | 19 | 22 | 101907.4 | ||
| 101908.1 | 101908 | 15 | 18x1,5 | 18 | 11 | 12 | 26 | 24 | 27 | 101908.4 | ||
| 101909.1 | 101909 | 18 | 22x1,5 | 19 | 11,5 | 14 | 28 | 27 | 32 | 101909.4 | ||
| S | 630 | 101914.1 | 101914 | 6 | 12x1,5 | 18 | 11 | 12 | 26 | 17 | 17 | 101914.4 |
| 101915.1 | 101915 | 8 | 14x1,5 | 20 | 13 | 12 | 28 | 17 | 19 | 101915.4 | ||
| 101916.1 | 101916 | 10 | 16x1,5 | 20 | 12,5 | 12 | 28,5 | 19 | 22 | 101916.4 | ||
| 101917.1 | 101917 | 12 | 18x1,5 | 22 | 14,5 | 12 | 30,5 | 22 | 24 | 101917.4 | ||
| 101918.1 | 101918 | 14 | 20x1,5 | 24 | 16 | 14 | 34 | 24 | 27 | 101918.4 | ||
| 400 | 101919.1 | 101919 | 16 | 22x1,5 | 24 | 15,5 | 14 | 34 | 27 | 30 | 101919.4 |