Оставьте заявку на заказ и мы вам перезвоним для уточнения деталей и вопросов
![]() |
![]() |
|
с врезным кольцом в3 |
с врезным кольцом В4 |
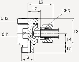
| Серия | Давление | Корпус | Корпус в сборе В3 | Диаметр трубы | Резьба | L1 | L2 | L3 | L4 | L5 | L6 | CH1 | CH2 | CH3 | Корпус в сборке В4 |
| LL | 100 | 101301.1 | 101301 | 4 | 1/8 | 18 | 14 | 18,5 | 10,5 | 8 | 24 | 17 | 17 | 10 | - |
| 101302.1 | 101302 | 6 | 1/8 | 18 | 12,5 | 18,5 | 10,5 | 8 | 24 | 17 | 17 | 12 | - | ||
| 101303.1 | 101303 | 8 | 1/8 | 19 | 13,5 | 18,5 | 10,5 | 8 | 25 | 17 | 17 | 14 | - | ||
| L | 315 | 101304.1 | 101304 | 6 | 1/8 | 19 | 12 | 18,5 | 10,5 | 8 | 27 | 17 | 17 | 14 | 101304.4 |
| 101305.1 | 101305 | 8 | 1/4 | 21,5 | 14,5 | 25 | 14 | 12 | 29,5 | 22 | 19 | 17 | 101305.4 | ||
| 101306.1 | 101306 | 10 | 1/4 | 22,5 | 15,5 | 25 | 14 | 12 | 30,5 | 22 | 19 | 19 | 101306.4 | ||
| 101307.1 | 101307 | 12 | 3/8 | 25 | 18 | 30 | 16,5 | 12 | 33 | 27 | 24 | 22 | 101307.4 | ||
| 101308.1 | 101308 | 15 | 1/2 | 29 | 22 | 37,5 | 21,5 | 14 | 37 | 32 | 30 | 27 | 101308.4 | ||
| 101309.1 | 101309 | 18 | 1/2 | 29 | 21,5 | 37,5 | 21,5 | 14 | 38 | 32 | 30 | 32 | 101309.4 | ||
| 160 | 101310.1 | 101310 | 22 | 3/4 | 34 | 26,5 | 44 | 24 | 16 | 43 | 41 | 36 | 36 | 101310.4 | |
| 101311.1 | 101311 | 28 | 1 | 38,5 | 31 | 55,5 | 30,5 | 18 | 47,5 | 50 | 46 | 41 | 101311.4 | ||
| 101312.1 | 101312 | 35 | 11/4 | 45,5 | 35 | 65,5 | 35,5 | 20 | 56,5 | 60 | 55 | 50 | 101312.4 | ||
| 101313.1 | 101313 | 42 | 11/2 | 50,5 | 39,5 | 75,5 | 40,5 | 22 | 62,5 | 70 | 60 | 60 | 101313.4 | ||
| S | 630 | 101314.1 | 101314 | 6 | 1/4 | 23,5 | 16,5 | 25 | 14 | 12 | 31,5 | 22 | 19 | 17 | 101314.4 |
| 101315.1 | 101315 | 8 | 1/4 | 23,5 | 16,5 | 25 | 14 | 12 | 31,5 | 22 | 19 | 19 | 101315.4 | ||
| 101316.1 | 101316 | 10 | 3/8 | 26 | 18,5 | 30 | 16,5 | 12 | 35 | 27 | 24 | 22 | 101316.4 | ||
| 101317.1 | 101317 | 12 | 3/8 | 26 | 18,5 | 30 | 16,5 | 12 | 35 | 27 | 24 | 24 | 101317.4 | ||
| 101318.1 | 101318 | 14 | 1/2 | 31 | 23 | 37,5 | 21,5 | 14 | 41 | 32 | 30 | 27 | 101318.4 | ||
| 400 | 101319.1 | 101319 | 16 | 1/2 | 31 | 22,5 | 37,5 | 21,5 | 14 | 41 | 32 | 30 | 30 | 101319.4 | |
| 101320.1 | 101320 | 20 | 3/4 | 36 | 25,5 | 44 | 24 | 16 | 47 | 41 | 36 | 36 | 101320.4 | ||
| 101321.1 | 101321 | 25 | 1 | 42,5 | 31,5 | 55,5 | 30,5 | 18 | 54,5 | 50 | 46 | 46 | 101321.4 | ||
| 101322.1 | 101322 | 30 | 11/4 | 49,5 | 36 | 65,5 | 35,5 | 20 | 62,5 | 60 | 55 | 50 | 101322.4 | ||
| 315 | 101323.1 | 101323 | 38 | 11/2 | 56,5 | 40,5 | 75,5 | 40,5 | 22 | 71,5 | 70 | 60 | 60 | 101323.4 |